联系我们 电子图书馆 加入协会
官方微信
官方公众号
协会小程序
您的位置:首页 > 公司新闻 > 行业信息
拆解大众汽车的发动机ECU: 内部包含多颗神秘芯片
发布时间:2024-10-24        浏览次数:35        返回列表

EEWorld网友littleshrimp,收到了一台从废旧大众汽车拆下发动机ECU,经过他的层层拆解,发现了很多常见的经典芯片,同时也发现了很多不一样的设计之处。(原贴来自EEWorld论坛,欢迎进入链接与本文作者交流:https://www.eeworld.com.cn/aaXLy9K)

背面无芯片的设置令人好奇,而正面的芯片组合则展现出其复杂的功能性。其内部PCB布局更是呈现出独特的设计,然而,令人困惑的是,部分芯片以及大部分ST的芯片竟然找不到数据手册,这给深入了解其具体参数和功能带来了极大的阻碍。此外,晶振的固定方式也与众不同,采用底座固定,与常见开发板直接用锡固定的方式形成鲜明对比。而且,设备上接口密密麻麻,但由于不清楚其用途,无法进行有效的引脚测试,这也为进一步探究其工作原理和应用场景设置了障碍。下面就跟着我们的拆解,一探究竟吧!

具体应用在哪个型号汽车上的不确定。

图片

背面还有一个疑似气孔的东西

图片

该设备的外壳工艺独具特点,四周环绕着大量灰色密封胶,历经岁月洗礼,其柔软度依然保持良好,这或许是为了确保内部元件免受外界环境干扰,起到防水、防尘以及稳固结构的作用。

图片

气孔内侧。

图片

图片

PCB背面无芯片,下面芯片基本都是英飞凌和ST的。

图片

主控芯片采用了英飞凌的C167CR方案,这应该是整个系统的核心大脑,负责协调和控制各项功能的运行。

图片

图片

还配备了AMD的4Mbit FLASH。

图片

图片

用于存储程序和数据;IDT(现已被瑞萨收购)的256Kbit SRAM则为数据的快速读写提供了支持。

图片

  图片

TI的TPIC8101作为振动和发动机爆震传感器接口芯片,承担着感知发动机运行状态的关键任务。

图片

图片

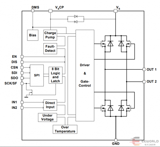
英飞凌的多种芯片也各展其能,如TLE 7209--2R 7A H桥驱动芯片用于驱动相关部件动作。

图片

图片

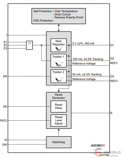
 英飞凌的A2C56211极低压降三重稳压器确保电压稳定供应。

图片

       图片

英飞凌的BTS4140N高侧电源开关实现电源的有效管理。

图片

图片

EPCOS的电信数据线扼流圈则对信号起到滤波和抗干扰作用,英飞凌的TLE6250高速CAN收发器负责数据的收发传输。

图片

剩下都是一些找不到数据手册的芯片。

图片

图片

比较奇怪的是大部分ST的芯片也找不到数据手册。

图片

图片

图片

图片

图片

这种晶振使用了底座固定,以前看到开发板上都是直接甩一坨锡

图片

图片

接口密密麻麻,不知道这些引脚都是做什么用的无法测试。

图片

尽管目前尚不能确定这款设备确切应用于大众的哪个型号汽车,但这次拆解无疑为我们打开了一扇了解其内部构造的窗口,为后续更深入的研究和分析奠定了基础,同时也激发了我们对其更多未知功能和应用领域的探索热情,为汽车电子技术的发展提供有价值的参考和借鉴。

友情链接