联系我们 电子图书馆 加入协会
官方微信
官方公众号
协会小程序
您的位置:首页 > 公司新闻 > 行业信息
天天说的智能高边开关,到底是个啥?
发布时间:2024-11-01        浏览次数:22        返回列表

随着电气需求的增长,汽车需要区域模块来满足广泛的电源需求。高边开关可实现设计灵活性,并通过减少布线和取代保险丝来实现节省空间和重量的解决方案。

相对于传统分立式继电器和保险丝,高边开关可在热性能与尺寸之间取得平衡,有助于优化车辆布线并缩小尺寸,并且便于实现故障检测措施等智能功能。

如图所示,不同的负载保护电路功能不同。

图片

图片

智能高边开关可靠地驱动板外负载,这些开关包含高度可调和可选择的电流限制,使系统能够针对特定负载进行最佳设计。通过连接外部电阻来设置电流限制阈值,开关可在短路至 GND 事件或上电条件下保护负载和电源免受过载。这通过最小化瞬态电流和电源下降来实现更可靠的设计。当达到阈值时,闭环激活并将输出电流钳制到设定值。然后在 CS 引脚上报告故障。这些开关还提供高精度电流感应,为系统提供实时诊断。电流镜从 VIN 获得电流,将其反映为电流感应 (CS) 引脚上的电压。CS引脚不需要校准,可以用作诊断报告引脚。每当发生开路负载或短路时,CS 引脚上的电压都会降至 0 V。每当发生电流限制、热事件或关闭状态下的开路负载或短路时,电压就会被拉高至其最大阈值。

智能高边开关的另一个功能是负载突降兼容性,这使得这些设备可以直接连接到 12 V 电池上,而无需担心典型的电压和电流瞬变。额外的保护包括缓解大浪涌电流,避免损坏负载。

通过 AEC-Q100 认证的智能高边开关,可适应一系列需要低导通电阻和高电压差的汽车应用中,尤其是频繁出现的电压尖峰和浪涌。其中一些应用包括前后照明、座椅加热、信息娱乐、动力系统和 ADAS等。

第一部分:何谓IPD?

IPD是 Intelligent Power Device 的缩写,是指内置保护电路,可吸收感性负载等能量的高性能半导体电源开关,通过单片硅芯片上集成控制和保护电路以及标准功率MOSFET结构。

根据地区的不同,也被称为IPS(Intelligent Power switch)、智能开关(Smart switch)、高边/低边开关(Hi-side/Lo-side switch)等。

IPD的特点1(与MOSFET的比较)

说起半导体开关,一般最先想到的是MOSFET。如果将MOSFET单独用作开关,按照电路的结构,当负载短路时,MOSFET本身也会发生故障。

IPD内置过电流和过热保护电路、吸收感性负载能量的电路,在短路等异常状态下也能保持开关的功能,不会受到破坏。

图片

MOSFET 与 IPD 的比较

IPD的特点2(与机械保险丝的比较)

保险丝是控制电流防止其过大的部件。

产生过电流时,机械保险丝会熔断以阻断电流。因此需要更换才能恢复通电。

将IPD用作半导体保险丝,可以检测过电流等异常并切断电流。还具备将异常通知MCU等的功能,有助于分析原因。作为自动恢复型产品,也无需进行更换。

图片

机械保险丝 与 IPD 的比较

IPD的特点3(与机械继电器的比较)

继电器是根据外部信号对电路进行ON/OFF切换的部件。

机械继电器有机械式接点,在寿命和可靠性上存在隐忧。而且切换时会产生机械音。

作为半导体继电器的IPD没有机械式接点,与机械继电器相比,可实现高寿命、高可靠性、静音。而且封装更小、更轻,还支持回流焊贴装。除了进行ON/OFF切换的继电器功能之外,还能通过检测过电流进行保护。

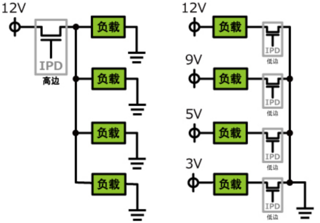
高边驱动/低边开关

相对于外部负载,将半导体开关配置在上侧电路(电源侧)的叫作高边驱动,配置在下侧电路(GND侧)的叫作低边驱动。

图片

高边开关与低边开关的区分使用范例

相对于外部负载,IPD有适用于上侧电路的高边开关和适用于下侧电路的低边开关,各种配置有各自适用的电路设计。

如下图左侧所示,对于电源电压固定且配置了各种负载的电路,例如在汽车等电池固定电压、车身GND接地的环境下,输出容易发生短路,检测异常状态适合使用容易进行接地检测的高边开关。

如下图右侧所示,负载配置在各种电源电压下的电路则适合使用低边开关。低边开关是MOSFET的源极GND接地,通过向栅极施加输入电压动作。其控制与单独使用MOSFET相同,容易从单独使用MOSFET进行替换。

图片

高边/低边区分使用范例

第二部分:为何使用高边开关?

高边开关可以驱动阻性、容性和电磁性负载。对于每种负载曲线,智能高边开关的作用不同,需要考虑不同的因素来确保提供强大的保护。无论负载是电阻性、电容性、电感性还是不完全属于这些类别之一(例如 LED),都将改变负载的驱动方式和设计方式。为了实现合理的输出功率保护,设计人员需要了解预期的负载曲线,然后了解这种负载曲线如何影响输出级设计。

针对电阻性负载,智能高边开关有两个显著优势:

精确的电流感测:智能高边开关可以实时测量通过开关的电流。这意味着相比传统的分立式电流测量方案,它不仅节省了电路板空间,还提高了测量精度,避免了误差带来的系统性能下降。在传统方案中,设计者往往需要额外的电路组件来精确测量电流,而智能高边开关集成了这一功能,简化了设计。

可调电流限值:智能高边开关的电流限值可以根据需要进行调节,这在热敏应用中尤为重要。它能够有效避免过大的电流对系统和用户造成损害。相比于一些竞争对手提供的固定电流限值的产品,智能高边开关在应对负载突发情况时更加灵活,能够更好地保护系统。

针对容性负载,智能高边开关同样有两个显著优势:

浪涌电流控制:当电容性负载上电时,会产生较大的浪涌电流。传统方法通常需要额外添加限流电阻,然而,这会导致功率损耗和电压降。而智能高边开关内置了电流限值调节功能,可以在电容充电时平稳控制电流,避免瞬时大电流对系统造成影响。这样不仅能防止电源电压波动,还能避免使用额外的限流元件,简化电路设计。

线性充电,降低热耗散:智能高边开关能够通过调节电流限值来线性给电容充电,减少充电过程中产生的热量。这对大型容性负载尤为重要,因为高功率的浪涌电流会导致开关的热量积累,进而影响系统的稳定性。智能高边开关通过控制电流,有效减少充电过程中不必要的功率损耗和温度升高,保证系统的长期可靠性。

而针对电感性负载,同样也可总结为两大优势:

退磁保护:电感性负载(如继电器、马达等)在断开电源时会产生反向的瞬态高电压,这可能会损坏驱动电路。智能高边开关内置了退磁电路,可以将这些瞬态高压钳制在安全范围内,从而保护系统中的其他元件。相比传统需要外部保护元件(如二极管)的设计,智能高边开关简化了电路,并提供更高的可靠性。

减少关断时的电流冲击:在关断电感性负载时,智能高边开关能够迅速、安全地耗散负载中的磁能,缩短退磁时间。这样能够确保负载快速、安全地断开,避免因长时间的电流滞留而造成的电路损害。

第三部分:如何选择合适的高边开关?

在选择车载高边开关时,我们主要考虑以下几个因素:额定电流、额定电压、保护机制、控制接口。通过考量这些关键因素,可以选择合适的汽车高边开关,从而确保系统的稳定性和可靠性。

一、额定电流:

额定电流是指高边开关在正常工作条件下能够连续处理的最大电流,他能够确保高边开关能够处理负载所需的电流,并在长时间运行中保持稳定,不会因为过热或过载而失效,所以在评估上,我们需要:

1.评估负载电流大小

在选择高边开关时,首先需要准确评估应用中的负载电流,包括以下几个方面:

静态负载电流:这是在负载处于正常工作状态时的持续电流。

动态负载电流:考虑负载在启动、停止或其他动态操作时的电流变化,这些瞬态电流可能显著高于静态电流。

峰值电流:负载可能在短时间内达到的最大电流,需要确保高边开关能承受这些瞬态峰值而不损坏。

2.选择适合的额定电流

选择高边开关时,为了应对电流波动、启动电流和其他可能的瞬态情况,高边开关的额定电流应该高于实际负载的电流,需要进行裕量设计,一般来说裕量控制在 20%-50% 左右。假设电动座椅的调节功能需要 10A 的电流,那么就应该选择 12-15A 左右的高边开关。

如下图所示,芯片数据手册中会有特别注明高边开关正常工作和最大能承受的电流大小。

图片                          图源:英飞凌官网 www.infineon.com

二、额定电压

额定电压是高边开关在正常工作条件下能够承受的最大连续电压。合适的电压可以确保高边开关在汽车电源电压范围内安全工作,尤其是应对汽车电源系统中可能出现的瞬态尖峰电压和过压情况。

1.了解汽车电源系统中的电压特性

汽车电源系统的电压特性包括:

标称电压:如 12V 或 24V,这是汽车电源系统的标准工作电压。

瞬态电压:汽车电源系统中常常会出现电压瞬态,如负载突降、启动、停止等情况可能导致电压暂时升高。

尖峰电压:由电磁干扰或负载变化引起的短时高电压尖峰。

2.选择适当的额定电压

选择高边开关时,额定电压通常应高于实际工作电压,具体考虑包括:

工作电压范围:确保高边开关的额定电压覆盖整个工作电压范围。例如,对于 12V 系统,实际工作电压可能在 9V 至 16V 之间波动。

瞬态电压和过压保护:高边开关必须能够承受电源系统中的瞬态尖峰电压。例如,对于 12V 系统,瞬态电压可能达到 40V,因此选择耐压在 40V 以上的高边开关。

安全裕量:通常选择比工作电压高出50%以上的额定电压,以确保在各种电压条件下都能安全运行。

如下图所示,NXP 官网某高边开关数据手册上有专门标注该高边开关在不同的电压下的工作状态表现,在进行电压评估时,可以结合实际资料做为参考。

图片MC12XS6D3 电压参数  图源:恩智浦官网 www.nxp.com.cn

三、保护机制

在选择和使用汽车高边开关时,保护机制是确保系统安全性和可靠性的关键因素。高边开关的保护机制主要包括过流保护、过温保护、欠压保护等。这些保护机制在应对异常情况时能够有效防止系统损坏,确保其长期稳定运行。以下是关于高边开关保护机制的详细说明:

过流保护(Overcurrent Protection, OCP)

定义:过流保护是指当通过高边开关的电流超过预定的阈值时,开关会自动关闭或限制电流,以防止损坏和过热。

重要性:防止由于过大电流导致的开关和负载损坏,并提高系统的可靠性和安全性。

工作原理:

高边开关内部通常有电流检测电路,当检测到电流超过设定的保护阈值时,开关会迅速关闭或限制电流。

有的高边开关还支持自动重试功能,即在过流后尝试重新启动,防止临时性过流导致系统长时间停机。

过温保护(Overtemperature Protection, OTP)

定义:过温保护是指当高边开关的温度超过预定的安全阈值时,开关会自动关闭,以防止热损伤。

重要性:防止由于过热导致的永久性损坏,并提高系统在高温环境下的稳定性

工作原理:

高边开关内部集成温度传感器,当温度超过设定的保护阈值时,开关会迅速关闭,等待温度恢复到安全范围后重新启动。

欠压保护(Undervoltage Lockout, UVLO)

定义:欠压保护是指当电源电压低于预定的阈值时,开关会自动关闭,以防止误操作和系统不稳定。

重要性:防止由于电源电压不足导致的误操作和不稳定,并提保护负载和高边开关本身的安全。

工作原理:

高边开关内部集成电压检测电路,当电源电压低于设定的保护阈值时,开关会自动关闭,直到电压恢复到正常范围。

短路保护(Short-Circuit Protection, SCP)

定义:短路保护是指当负载发生短路情况时,高边开关会迅速检测到并自动关闭,以防止过大电流导致系统损坏。

重要性:保护系统和负载不受短路影响,提高系统的安全性和可靠性。

工作原理:

高边开关内部集成短路检测电路,当检测到短路(通常是极低的电阻)时,开关会迅速关闭电路,防止过大电流流过。

其他保护机制

反向电流保护(Reverse Current Protection):防止电流反向流过高边开关,保护电源和开关本身

电流限制(Current Limiting):当电流超过一定值时,限制电流而不是完全关闭,以确保系统稳定

四、控制接口

控制接口是指用于控制高边开关导通和关断的信号接口类型和通信协议,选择合适的控制接口从而保证高边开关可以与控制系统(MCU 或 ECU)进行可靠通信。可分为数字接口、模拟接口以及通信接口等。

数字接口:通过数字信号控制高边开关的导通和关断,常见的接口包括 TTL、CMOS 等。

模拟接口:通过模拟电压信号控制高边开关的状态。

通信接口:如 SPI、I²C、CAN 等总线接口,允许更复杂的控制和状态监测。

以上是对于汽车高边开关选型的主要几个参考因素,在实际使用中除上述几个因素外,还需综合考量开关导通电阻(Rds(on))、封装形式、热性能、EMC、抗扰性、可靠性、寿命、成本供应链等等因素,才能选出适合的高边开关。

写在最后

智能高边开关不仅在汽车电源管理中发挥着关键作用,还为设计人员提供了更多灵活性和功能集成。随着车辆对于安全的要求越来越高,需要精准、灵活以及保护等多项功能,高边开关可以简化电路设计和故障处理。

随着近年国产汽车(尤其是新能源汽车发展越来越猛),高边开关的应用也越来越广,据统计,高边驱动芯片目前平均每辆传统燃油车需求为35颗,新能源车平均每辆需求为75颗,2023年中国汽车销量为3000万辆,按平均每颗1.2元人民币计算,对应市场潜在规模为15-20亿。数据显示,2022年国外巨头在国内大概有6.5亿销售额,高边驱动渗透率不足50%,未来随着渗透率的持续提升,高边驱动蛋糕预计将不断增大。

在高边驱动的市场里,英飞凌是当之无愧的老大,产品型号最全、系列最多,涵盖了乘用车12V和商用车24V,产品在市场的应用最广泛;ST作为老牌车载芯片厂家,在市场上属于老二;NXP的HSD产品线来自飞思卡尔,产品线也很全;其次是TI,从2014年开始逐渐推出HSD产品,多应用于12V乘用车;最后是安森美,HSD型号相对略少,主要集中在小电流。

高边驱动作为一块肥肉,为什么国内厂商进展缓慢,国产化率不足1%呢,主要难点在于工艺制造,HSD和车规Mos搭配使用,甚至直接把Mos集成在里面,因此有车规Mos基础的海外大厂本身基础就比国内厂商好;其次海外功率大厂大多采取IDM模式,自己的工厂打磨出了独特的工艺,如英飞凌和ST,使用BCD和VDMOS工艺,推出2通道20毫欧,2通道30毫欧,甚至单通道2毫欧、单通道1.2毫欧的产品,在市场上遥遥领先。

国内厂商普遍在推出的是高Rdson的小电流产品,围绕80毫欧以上,推出4通道、2通道、甚至是1通道的产品,应用在小灯的开关,小电源配电上,产品比较零散,不成体系,并且小电流产品在车上用得不多,市场空间不大,因此国内厂商在高边驱动这块一直没成气候。目前发布了高边驱动产品的公司包括类比半导体(单通道6.5-80毫欧,双通道15-80毫欧)、明芯微、稳先微(单通道10-140毫欧、双通道25-140毫欧、四通道50-140毫欧)、帝奥微(4通道120毫欧)、瓴芯微(四通道160毫欧),此外,还有一大批创业公司正摩拳擦掌,在高边驱动的赛道跃跃欲试。

友情链接